|
SEDYE ASANSÖRÜ
|
|
|
|
Sağlık tesislerinde kullanılan hasta asansörleri, SEDYE
taşımak amaçlı olarak tasarlanırlar.Hasta asansörlerinin
taşıma kapasiteleri 1600 Kg, 2000 Kg, 2500 Kg
şeklindedir veya eski binalarda (mevcut kuyu ölçülerine
uygun olarak) 900 Kg şeklinde alternatif bir çözümde
önerilebilir.
Kabin iç dizaynı ve kabin aydınlatmaları itina ile,
hastanın psikolojisini rahatlatmak hedef alınarak
seçilir. Asansörü kullanan hastaların sedye ve
tekerlikli sandalye ile kabin giriş ve çıkışlarında
sorun yaşamamaları için kabin kat seviyelerinin kusursuz
ayarı yapılmaktadır.
Asansörde Talebinize ve Asansör Kuyusuna Uygun Olarak;
--Tavandan aydınlatma nedeniyle ışığın
hastaların gözüne girmemesi için benzersiz yan duvarda
kabin aydınlatması özelliği.
--Kapı panelleri kapandığında arasında bir engel
veya insan bulunması halinde kapılara geri hareket veren
yolcu koruma sistemi.
--Sedyelerin kolay transferi ve yaşlıların ya da
engellilerin takılma tehlikesini ortadan kaldırmak için
3 mm seviye ayar hassasiyeti.
--Asansör kabininde standart olarak engelliler
erişim şartlarına tam uygunluk ve kat seviyelerinin
körler alfabesiyle gösterimi.
--Manuel Tip veya Tam Otomatik Teleskopik /
Merkezden Açılan kat kapı seçenekleri,
--Tam Otomatik Teleskopik / Merkezden Açılan
kabin kapısı seçenekleri,
--İthal Makine Motorlu,
--Çift hız veya AC VVVF Frekans Ayarlı Kademesiz
Hız seçenekleri,
--Tam elektronik mikroişlemci kontrollü
Sellektif Toplamalı. Simpleks veya Grup Kumanda
seçenekleri,
--Acil kata getirme sistemi,
--Antibakteriyal, antistatik taban kaplaması,
--Kabin, elektrostatik boyalı veya desenli
satine paslanmaz sac kaplamalı duvar özelliklerine
sahiptir.
Firmamız, uzman personeli, kusursuz projelendirme ve
asansör kullanıcılarını bilgilendirme prensipleri ile
binanız ve sizin için en uygun asansörün seçimi yönünde
size yardımcı olacaktır.
|
 |
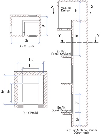
HASTA ASANSÖRLERİ (SINIF III) FONKSİYONEL
BOYUTLAR:
|
TAŞIMA KAPASİTESİ |
(Kg) |
1600 |
2000 |
2500 |
|
KABİN ALANI |
(min) |
3,245 |
3,82 |
4,625 |
| (max) |
3,56 |
4,20 |
5,00 |
|
KABİN EBATLARI |
Genişlik |
b1 |
(mm) |
1400 |
1500 |
1800 |
|
Derinlik |
d1 |
(mm) |
2400 |
2700 |
2700 |
|
Yükseklik |
|
(mm) |
2300 |
2300 |
2300 |
| |
|
|
DURAK KAPILARI |
Genişlik |
b2 |
(mm) |
1300 |
1300 |
1300+ |
|
Yükseklik |
h3 |
(mm) |
2100 |
2100 |
2100 |
|
KUYU EBATLARI |
Genişlik* |
b3 |
(mm) |
2400 |
2400 |
2700 |
|
Derinlik |
d2 |
(mm) |
3000 |
3300 |
3300 |
|
KUYU DİBİ DERİNLİĞİ |
Vn=0,63m/sn |
d3 |
(mm) |
1600 |
1600 |
1800 |
| Vn=1,00m/sn |
d3 |
(mm) |
1700 |
1700 |
1900 |
| Vn=1,60m/sn |
d3 |
(mm) |
1900 |
1900 |
2100 |
| Vn=2,50m/sn |
d3 |
(mm) |
2500 |
2500 |
2500 |
|
EN ÜST DURAK SEVİYESİ ÜSTÜNDEKİ
YÜKSEKLİK |
Vn=0,63m/sn |
h1 |
(mm) |
4400 |
4400 |
4600 |
| Vn=1,00m/sn |
h1 |
(mm) |
4400 |
4400 |
4600 |
| Vn=1,60m/sn |
h1 |
(mm) |
4400 |
4400 |
4600 |
| Vn=2,50m/sn |
h1 |
(mm) |
5400 |
5400 |
5600 |
|
MAKİNA DAİRESİ |
Alan
|
A |
(m2) |
25 |
27 |
29 |
|
Genişlik |
b4 |
(mm) |
3200 |
3200 |
3500 |
|
Derinlik |
d4 |
(mm) |
5500 |
5800 |
5800 |
|
Yükseklik |
h2 |
(mm) |
2800 |
2800 |
2800 |
b4 ve d4 minimum değerlerdir, gerçek boyutlar
en az A'ya eşit bir taban alanı sağlamalıdır.
|
|
|
|
|